社屋移転にともない、全てのスタジオサブシステムをリニューアル
2021年6月、株式会社サンテレビジョン様(以下、サンテレビ様)は神戸駅前に本社を移転しました。新社屋では安全で運用性の高いシステムを目指し、制作用のL1スタジオサブと、報道用のL2スタジオサブ、そして主にスポーツの受けサブとして使用するL3サブのシステムを全面リニューアル。シンプルながら現代の番組づくりに合わせた拡張性を備え、緊急時でも瞬時に速報が出せる体制を整えました。大規模災害を経験したことのある局だからこそ成しえる、地域の人を思い、人々の安全と笑顔をつくることを第一に考えた新システムとなりました。
新社屋のコンセプトを高いレベルで実現した各種システム
L1サブではサンテレビ様ならではの番組演出にスムーズに対応でき、新入社員でも外部スタッフでもすぐに覚えられる操作感が評価され、ライブスイッチャーAV-HS7300が採用されました。L2サブは技術スタッフ不在時でも安心して放送ができる体制を目指し、スイッチャーはコンパクトなAV-HS6000で、主な送出はOTCシステムで対応できるようにしました。技術部の鳥生様は、「移転のコンセプトとして掲げた『コンパクトで安定性も柔軟性もあるシステム』を、パナソニックさんなら実現できると確信し、今回新社屋すべてのサブのシステム構築をお願いしました」と語ります。
高効率で演出力の高い番組づくりを実現した制作サブ
新社屋の中で最も規模が大きなL1サブは、情報番組や音楽番組、ダンス番組など、多彩な演出が行われる制作サブです。月曜から金曜の夕方に放送される人気番組「NEWS×情報 キャッチ+」では、番組の前半に地域情報を、後半に最新ニュースを届けており、それぞれのテイストに合わせテロップやロゴ、ワイプのデザインを変えています。今回ライブスイッチャーAV-HS7300を導入し、使いやすいDVEや各種メモリー機能により、演出の幅が広がったと鳥生様は語ります。
「『キャッチ+』の前半と後半の切り替えはCM中の2分間で行います。技術スタッフとフロアディレクターは継続し、制作スタッフと出演者が全員入れ替わるのですが、この短時間での入れ替えに加え、後半はニュースなので急なキューシートの変更もあり、以前はオペレートのミスなどもありました。AV-HS7300は操作がシンプルな上、一連の動作を記憶して瞬時に読み出してくれるマクロメモリー機能があるので、今まで10個ほどの操作が必要だったところをワンボタンで後半バージョンに切り替えられるようになりました。この機能のおかげで驚くほどオペレートが楽になりミスもなくなりました」




サンテレビ様の運用に合わせた独自仕様のスタジオカメラ
L1のスタジオには4KスタジオカメラAK-UC4000を4台導入し(うち3台にビルドアップユニットを装着)、サンテレビ様の運用方法に合わせてビルドアップユニットに液晶ビューファインダーを装着する形に改良しました。鳥生様は、「サンテレビの番組ではカメラ3台を使って、まるで4~5台で撮影してるかのような動きのある画づくりを心掛けています。そのためカメラマンが激しく動き回るのですが、カメラ本体にビューファーを付けてしまうとどうしてもグラついて不安定になってしまいます。そこで今回はカメラマンも含め何度も打ち合わせを重ね、ビルドアップユニットに装着するよう改良していただきました。おかげでカメラマンの動きにしっかりと付いてきてくれ、安定した撮影ができるようになりました」と語ります。
また、AK-UC4000はハンディカメラとしても使用できるため、社内数か所に設けられたカメラ用光回線を利用して様々な場所で撮影が行われています。



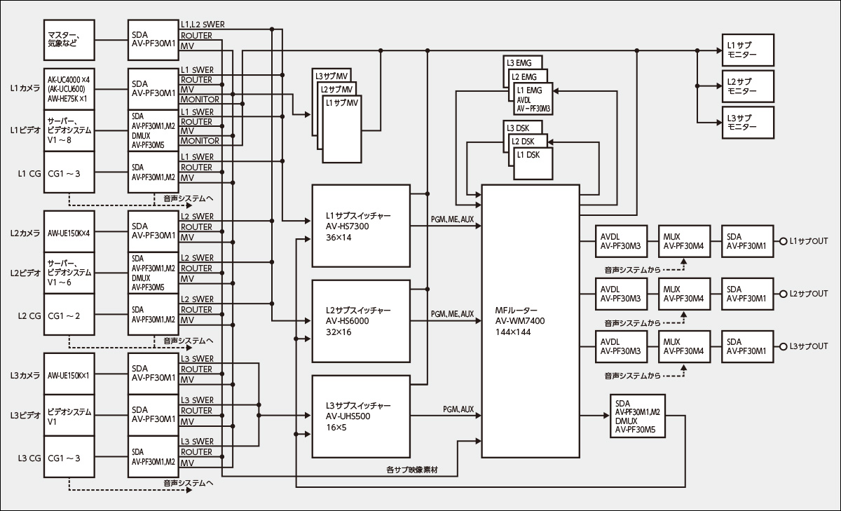
3つのサブのルーターを共有化し、大規模番組にもスムーズに対応
新社屋では全てのサブのルーターを共有化することで、各サブが相互に連携するシステムを構築しました。鳥生様は「L1サブでは選挙や神戸マラソンなど年に数回の大規模番組を放送することがありますが、そのためだけに大規模なシステムにしてしまっては本来のコンセプトから外れてしまいます。そこで今回はルーターを1台にして他のサブの入出力や素材を共通で使えるようにしました。スイッチャーに設けたユーティリティのボタンを押すだけで、例えばL1からL2のVTRの送出を直接行うことができ、素材もL2で作成してL1に割り当てることができるため、他のサブの運用を止めずに大規模番組に対応できるようになりました。相互に連携しているので、万が一どこかのサブで不具合が生じたとしても他のサブからの素材で番組を継続できる点も大きなメリットです」と語ります。



撮影から放送まで1人でも行える報道サブを実現
L2サブでは、日曜日に放送される20分のニュース番組はライブスイッチャーAV-HS6000でマニュアル運用し、毎日のショートニュースはOTCシステムで放送しています。今回OTC導入の検討には、当初は反対の声も多かったそうです。しかし導入を決めた背景には、大規模災害の経験から、技術スタッフ不在時でも県民へ情報を届けられる体制を整えたいという思いがありました。L2サブのシステム導入を担当した技術部の田中様は語ります。
「以前の更新時にもOTC導入を検討したのですが、当時報道部のメンバーから不安の声が上がり導入には至りませんでした。しかし今回パナソニックさんのOTCシステムを拝見し、その分かりやすさと操作性に驚きました。実際に導入してみると皆楽しんで操作しており、今ではほぼ全員の報道部員が1人で本番運用に臨めるようになっています。さらに、決まった流れで進行する制作番組があり、その制作チームからもOTC運用を行ってみたいという声が上がっています。皆あれだけ抵抗感があったにも関わらずOTCに対する印象が180度変わり、本当に導入して良かったと思っています」
また今回は、OTCシステムに「緊急送出番組」というボタンを設け、押下により照明や音声、映像システムの各バス、リモートカメラのプリセット位置を一括変更できるシステムを構築しました。田中様は、「ボタンを押してスタジオに入ればすぐにオンエアできる状態になるので、たとえ社内に1人しかいない状況でも、とにかく一報を早く出すことができるようになりました」と語ります。











映像システム
- L1サブ:ライブスイッチャー AV-HS7300
- L2サブ:2MEライブスイッチャー AV-HS6000
- L3サブ:ライブスイッチャー AV-UHS500
- ルーティングスイッチャー(144×144) AV-WM7400
- ペリフェラル AV-PF3000シリーズ
- 棚板 AV-PF30U2
- SDAユニット AV-PF30M1
- 2ch SDAユニット AV-PF30M2
- AVDL/FSユニット AV-PF30M3
- MUXユニット AV-PF30M4
- DMUXユニット AV-PF30M5
OTC関連
- OPT端末
- 16面操作端末
- OTC制御装置 AV-SA3000
- OTCサーバ一
- 残時間表示端末
モニター
- 65型/55型/32型液晶テレビ TH-65GX850HT/TH-55GX850HT/TH-32F300HT
- 16.5型LCDビデオモニター BT-LH1770
カメラシステム
- スタジオカメラシステム AK-UC4000 ×4台
- カメラコントロールユニット(CCU) AK-UCU600 ×4台
- マスターセットアップユニット(MSU) AK-MSU1000GJ ×1台
- ビルドアップユニット AK-HBU500GJ ×3台
- リモートオペレーションパネル(ROP) AK-HRP1000 ×9台
- 4Kインテグレーテッドカメラ AW-UE150K ×5台
- HDインテグレーテッドカメラ AW-HE75K ×1台
- HDインテグレーテッドカメラ AW-HE70SK9 ×1台
- リモートカメラコントローラー AW-RP60GJ ×6台
経験豊富な皆さんのサポートで無事に新社屋が完成しました
パナソニックさんには度重なる仕様変更にも嫌な顔ひとつせず対応していただき、「こういうパターンも想定しておいた方が良いのではないですか?」と変更の提案までしていただきました。運用を開始した今、あの提案のおかげで助かったと思うことが何度もあります。納入後にも度々使い方の相談に乗っていただき、皆様には本当に感謝しています。
株式会社サンテレビジョン 技術局 技術部 田中 雄大様(写真右)<br>
※所属は納入時のものです。

県民を思い、県民のために情報を届ける
1969年に開局した株式会社サンテレビジョン様は、報道・教育・教養・娯楽番組など多種多様な番組を制作し、長きにわたり地域の人々に愛され続けている独立局です。今回の社屋移転では阪神淡路大震災の教訓を生かし、より一層災害に強く、地域に信頼される放送局を目指し、約72時間放送が継続できる自家発電も備えた新社屋を建設しました。



簡単に操作でき、安全で効率的な運用が可能なシステムを構築したい。
円滑なオペレーションをサポートするライブスイッチャーと、誰でも簡単に操作できるOTCシステムを導入。3つのサブのルーターを共有化することで運用効率を大幅に向上。
シンプルで運用性の高いスイッチャーにより、オペレーション時の小さなミスが激減しました。また、OTCシステムの使いやすさに皆驚き、制作番組でも使ってみたいという声まで上がっています。

