溶接ロボットコントローラーG4に対応したハンドリングロボットです。
高可搬、且つ溶接ロボットとの協調動作が可能なため、製造現場の様々なシーンでご利用いただけます。
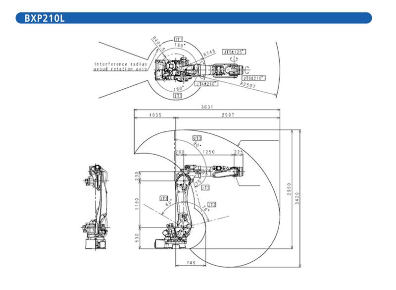
※ 写真は BXP210L を使用
ハンドリングロボット BXP210L / BX100N
高可搬モデル
主な機能
-
G4コントローラーによりサーボ関連基本性能が向上
-
溶接用G4コントローラーと同等のメンテナンス性
-
ティーチペンダントが溶接用G4コントローラーと同一
-
外付け外部軸コントローラーに対応(内蔵外部軸コントローラーは対応なし)
-
モータブレーキ解除スイッチを標準搭載(解除スイッチはコントローラー内に配置)
可搬質量:210 kg
最大リーチ:2 597 mm
用途:ハンドリング

可搬質量:100 kg
最大リーチ:2 200 mm
用途:ハンドリング / (溶接)

自動化による省人化を進めることで高荷重ワークの搬入、搬出など危険が伴う作業の削減が可能です。
また、溶接ロボットとの協調作業を行うことが可能で、複雑な形状のワークにも対応が可能です。
ワークの搬入 / 搬出 にハンドリングロボットを活用するアプリケーションです。
ワーク重量が大きい場合、クレーンや荷役運搬機器を用いたワーク運搬や治具へのセットを、人が介在し行う必要があり、タクトの増加や作業者の安全確保にコストがかかるケースがあります。
右図のように、作業箇所へのワークの運搬、治具へのセットを自動化することにより、生産タクトの短縮につながるだけではなく、作業者の安全性確保や省人化を実現することが可能です。

大型ロボットがワークを保持することで、回転や傾斜の他、反転動作も可能となり、ワーク姿勢の自由度が飛躍的に向上します。
また、溶接ロボットの動きに合わせた動作が可能なため、トーチ、ワーク間で理想的な溶接姿勢をとることが可能となり、溶接品質が安定します。
こちらはワークの複数面に溶接箇所があるような複雑な形状のワークに対して大きな効果を発揮します。

初めてロボットを導入したい、ロボットの更新を検討したいというお客様に向けたご相談窓口を開設いたしました。
導入検討における実機での溶接施工のご要望もお気軽にご相談ください
※下記リンクをクリックし、専用フォームにご記入ください
※現地でのお打ち合わせも受け付けております。
※導入検討以外の各種お困りごとはフリーダイヤルへお電話ください。(連絡先はこちら)

製品の外形 や その他詳細仕様に関しては順次公開とさせていただきます。




項目 | 仕様 | |
---|---|---|
ケース保護等級 | 制御装置部:IP54相当(背面ファン部:IP68) 溶接電源部:IP23S ティーチペンダント:IP40相当 |
|
冷却方式 | 制御部・・・間接空冷(内部循環方式)溶接電源部・・・直接空冷 | |
定格入力 | 3 相 AC 200 V(19 kVA)(17 kW)、 50 Hz/60 Hz (±2 %) 共用 | |
使用電圧範囲 | 3 相 AC200 V ~ AC220 V (±10 %)、 50 Hz/60 Hz (±2 %) | |
接地 | 保護接地(PE)が必要。システムにより機能接地(FE)が必要。 | |
塗装色 | 黒色 | |
教示方式 | ティーチングプレイバック | |
制御軸数 | 同時6軸 (最大27軸) | |
外部制御軸数 | モータ容量:20 kW 標準装置:内蔵外部軸3軸 (2 kW モーターまで) +外部軸コントローラー外付6 軸(モーター総容量 20 kW まで) |
|
経路制御方式 | PTP およびCP (直線または円弧補間) | |
位置検出方式 | 多回転データバックアップ機能付エンコーダー | |
位置制御方式 | ソフトウェアサーボ | |
速度制御方式 | 線速一定制御(CP制御時) | |
速度範囲 | 教示時 | 最高速度は安全速度範囲内(0.01 m/min ~ 15 m/min)で制御可能 |
プレーバック時 | 0.01 m/min ~ 999.99 m/min(直接入力方式) | |
速度設定範囲 | m/min、inch/min、mm/s、cm/min から選択 | |
記憶方式 | メモリー | |
マニピュレーター接続ケーブル長 | 30m | |
外形寸法(W x D x H) | 630 mm x 550 mm x 1,243 mm (突起部は含まない) | |
周囲温度・湿度 | 0 ℃~ 40 ℃,20 %RH ~ 90 %RH(40 ℃では50%、20 ℃では90% 以下 で結露なきこと) | |
輸送・保管温度 | -25 ℃~ 60 ℃ | |
質量 | 141 kg (311 lbs.)(ティーチペンダントと接続ケーブルを除く) | |
高度 | 2 000 m 以下 | |
モータ過負荷保護 | サーマルメモリー機能はありません。 |
注記
ソフトウェアに関係する操作の仕様につきましては取扱説明書「操作説明編」をご参照ください。
■ケース保護等級
制御装置部:IP54相当(背面ファン部:IP68)
溶接電源部:IP23S ティーチペンダント:IP40相当

項目 | 仕様 |
品番 | WSAUR00001ZZ |
保護等級 | IP40 相当 |
表示部 | 7インチワイドTFT カラー液晶グラフィック表示 |
タッチパネル | 静電容量方式 |
TP部メモリー | ICメモリー |
SDメモリーカードスロット | SD メモリー、SDHC メモリー |
USB2.0 ポート | 2 |
イネーブルスイッチ | 3 点動作タイプ |
非常停止スイッチ | 1点 |
接続ケーブル | 10 m(専用ケーブル、コネクター接続) |
質量 | 980 g(ケーブルは含まない) |
項目 | 入出力 | 仕様 |
---|---|---|
ステータス入出力 (専用端子) |
入力 | 起動、停止、エラー解除、運転モード、教示モード、サーボ電源投入 |
出力 | 起動中、停止中、エラー、運転モード、教示モード、サーボ電源ON、レディー、アラーム | |
汎用入出力 | 入力 | 40点 |
出力 | 40点 | |
入出力の割付 | プログラム選択入力、他のステータス入出力も割付て使用 | |
その他の入出力 | 入力 | セーフティフォルダー |
入力仕様 | フォトカプラー(DC24 V,5 mAのON/OFFによる) | |
出力仕様/T仕様 | NPNトランジスタ・オープンコレクタ | |
安全入出力※1 | 入力 | TP非常停止、イネーブルスイッチ モード切替スイッチ 8点の汎用安全入力 |
出力 | 4点 リレー接点出力 4点 FET出力・ソースタイプ |
|
安全入出力の割付 | 安全設定によって安全入出力の割付が可能 例:外部非常停止、外部イネーブルスイッチ、 ドアストップ、保護停止 |
|
外部メモリー・通信用 インターフェイス |
コントローラー | ・RS-232C(オプション) ・RS-422(オプション) ・イーサネット (オプション)※2 |
ティーチペンダント | SDメモリー、SDHCメモリー、 USB2.0:2ポート※3 |
※1:安全入出力に関しての詳細は、「機能安全マニュアル」をご参照ください。
※2:工場内LAN以外に接続しないでください。
※3:SDメモリー、USBメモリーにアクセス中は電源スイッチをOFFにしないでください。
項目 | 仕様 |
内蔵溶接電源部品番 | YA-2KD351T00、(YA-2KD351T**) |
適用溶接法 | CO2 / MAG / ステンレスMIG / パルスMAG / ステンレスパルスMIG |
制御方式 | インバーター制御 |
最高無負荷電圧 | DC 83 V |
標準負荷電圧出力表示 | 30 A、15.5 V ~ 350 A、 31.5 V |
出力電流調整範囲 | DC 30 A ~ 350 A |
出力電圧調整範囲 | DC 12 V ~ 36 V |
定格使用率(10分周期) | 80 % (CO2 / MAG / ステンレスMIG 溶接) 60 %(パルスMAG / ステンレスパルスMIG 溶接) |
出力端子接続 | M8ボルト接続 |
絶縁クラス | 主トランス:F種、リアクタ:E 種、力率改善リアクタ:H種 |
準拠規格 | JIS C 9300-1 |
質量 | 51 kg |
EMC分類 | クラスA装置 |
マニピュレーター
省スペース&高可搬
TSシリーズ

スタンダードタイプ
TMシリーズ

ロングアーム&高可搬
TLシリーズ

中型多用途ロボット
LA-1800
