- 高明瞭性スピーカーユニットの採用と、ラウンドエンクロージャー効果により、クリアな拡声を実現。
- スイッチにより、ハイインピーダンスとローインピーダンスの切り替えが可能。
- 防水性能はIPX4。
- 水平・垂直、同時に角度調整が可能で、縦でも横でも設置できる前面グリルデザイン。
- 取付金具は、水平±90°、垂直0°~ 30°(縦向き使用時)の角度調整が可能。また、設置場所は壁面に加えポール取付にも対応。
- ISO14993に準拠した耐重塩害仕様。

低音用スピーカーと、高音用スピーカーを内蔵した2ウェイ方式を採用し、場内アナウンスから迫力ある音楽再生まで、幅広い音響に対応します。さらに、ラウンドエンクロージャー効果により歪みの少ない拡声を実現。WS-LB311は、距離減衰の少ない弓形ラインアレイ方式により、遠距離から近距離まで明瞭な拡声が可能です。
WS-LB311は、高明瞭性スピーカーユニットと、アレイ構造の採用により、遠くまでクリアで無駄のない拡声を実現。無駄な周囲への音の放出がなく、反射音も抑えられますので、設置環境に合わせた明瞭性の高い音を提供します。

壁取り付けに加え、ポール取り付けに対応したスリム形状。WS-LB301は水平・垂直、同時に角度調整ができ、縦でも横でも設置できる前面グリルデザイン。WS-LB311はアレイ角度を最適化済みのため、垂直方向の角度調整を行うだけで簡単に音響調整が可能です。

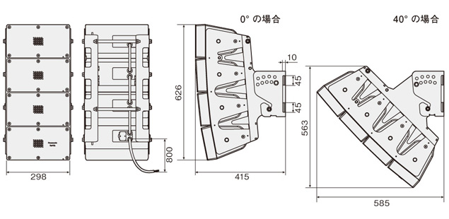
安全で簡単な取り付けが可能。ポールへの取り付けにも対応。 WS-LB311は、壁面やポールなどに取り付けた固定金具にスピーカー本体の固定ナット部を引っ掛け、0゚~40゚間で5゚ごとに、容易に角度調整が可能です。WS-LB301は、縦向き使用時は左右90°、下向き0°~ 30°、横向き使用時は左右0°~ 30°、下向き0°~ 90°の角度調整が可能です。

スイッチにより、ハイ・インピーダンスとロー・インピーダンスの切替えが可能です。


IPX4防まつ型(JIS C0920準拠)の防水性能とISO14993に準拠した耐重塩害仕様で、取付金具や付属ねじ類はいずれも防食性に優れたステンレス製です。屋外競技場や潮風の影響を受ける場所での設置が可能です。
※1 IPX4 : 水に対して「防まつ型(4等級)」の保護がなされていることを示します(JIS C0920 準拠)。
※2 ISO14993 : 塩水噴霧、乾燥、湿潤を繰り返すことで耐食性を評価する試験規格。
スピーカー (トランス取付位置) |
型式番号 (検定協会採番) |
マッチング トランス |
定格入力 (W) |
種別 | 音響パワーレベル (1 W)(dB) |
指向特性区分 |
---|---|---|---|---|---|---|
WS-LB301 | 認評放第27~22号 | 内蔵 | 7.5 | L | 90 | W |
15 | L | |||||
30 | L | |||||
WS-LB311 | 認評放第27~18号 | 内蔵 | 15 | L | 94 | X |
30 | L | |||||
60 | L |
※型式番号は、2017年11月現在のものです。性能向上、品質向上のために変更されることがありますので、ご注意ください(変更の場合は、別途ご案内致します)。
WS-LB301 寸法図

WS-LB311 寸法図
設置上のご注意
※水平より上向きでの設置はしないでください。
※油成分(油煙、油粒等)の付着しやすい場所や、スキーリフトの支柱や遊園地遊具など振動の強い場所へは、落下の危険がありますので設置できません。
※スピーカー設置時は、必ず付属の安全ワイヤーを取り付けてください。
※ISO14993 に準拠した耐重塩害仕様の試験確認をしていますが、腐食に対して万全ではありません。
海上および海水飛沫(塩分を含んだ水)が直接あたる場所は極力回避してください。
