開館以来初の2ホール一斉システム更新を実施
2021年11月、愛知県豊田市様が所有する文化施設「豊田市民文化会館」がリニューアルオープンしました。コンサートや演劇など各種公演のほか、近隣の学校や企業が多目的に利用可能な同会館は、大小2つのホールから成り、それぞれに音響システムが配備されています。これまでは、座席によって聞き取りづらいエリアがあり、前回の更新からしばらく経っていたため老朽化に伴う不具合もありました。そこで今回、2つのホールの音響システムを一斉に更新。プロオーディオシステムRAMSAの各種スピーカーが採用されました。
どの席でも聞き取りやすく、どのジャンルにも対応するコンセプトに合致
今回のリニューアルでは、聞きづらいエリアをなくしホール全体に均一で明瞭な音を届けることが必須の改善ポイントでした。また、ジャンルによる偏りがなく、どのようなイベントでも心地の良い音を出せることが求められました。豊田市民文化会館の音響設備を管理運営する豊田舞台照明有限会社の西山敏昭様は、「音楽ライブやダンスイベント、バレエやオペラ、講演会など様々な催しが開催されるホールとして、RAMSAのフラットな音が多様な音楽にフィットしたことが決め手となりました。スピーチの拡声も隅々まで聞き取りやすく、非常に魅力的なスピーカーです」と語ります。
大ホールはラインアレイスピーカーで迫力のある音を実現
客席数1708席(1階席1323席、2階席385席)の大ホールは、以前は多数のポイントソーススピーカーを使ってホール全体をカバーしていましたが、座席によって聞き取りづらいなどの課題がありました。そのため、狙ったエリアに均一に音を届け、反射音を抑えた拡声ができるラインアレイスピーカーに変更。舞台上部のプロセニアムスピーカー、左右2か所の壁に格納したサイドスピーカー、2台の移動スピーカーの、計5か所にラインアレイスピーカーを採用し、聞こえづらかったエリアを解消しました。
プロセニアムスピーカーは、RAMSAラインアレイスピーカーWS-LA500Aを7本スタックして壁の内側に設置。1階席と2階席の全体をカバーエリアとしました。サイドスピーカーには、WS-LA500A×4本と、サブウーハーのWS-LA550A×2本をスタックし、WS-LA500Aの下2本で1階席を、上2本で2階席をカバーしました。さらに、サイドスピーカーと同じ構成で移動スピーカーを2式用意することで、プロセニアムとサイドスピーカーだけでは音圧が足りないと感じる演目などに、持ち出して使用できるようにしました。豊田舞台照明有限会社の西山様は、「高域が明瞭になり、音の跳ね返りもとても改善されました。これまで聞こえづらかったデッドポイントはすっかり解消され、どの席にも均一に明瞭な音が届けられるようになりました」と語ります。




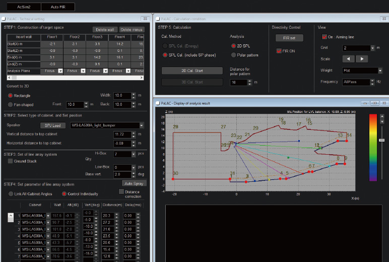
音響シミュレーションソフトPASDを使ってホールに合わせた音づくり
今回は両ホールとも、RAMSA独自の音響シミュレーションソフトウェア「PASD」を活用して音づくりを行いました。まずは、ホールの断面図からラインアレイスピーカーの角度構成を検討できる機能「PaLAC」により、最前列から客席の後方まで音圧レベル分布を逐一モニタリングして角度を決定。その後「PaLAC」で検出したデータをもとにホールの3D建築CADデータと照合して音圧レベルをシミュレートしていきました。
今回は、オールラウンドに様々な催しに対応したいというご要望に合わせ、原音に忠実で色付けのない音となるよう調整を行いました。また、長時間聞いても音疲れしないよう高域は抑えめの調整にし、反対に低域はダンスイベントなどで流れる音楽に迫力が出るよう5dBほど上げて調整しました。
PASDは、事前のシミュレーション結果をデータとしてそのままチューニングに使用できる、シミュレーションソフトとチューニングソフトが1つになったソフトウェアのため、スピーカー設置後も効率的に音響調整を行うことが可能です。大ホールと小ホールにスピーカーを設置した後は、現場のテスト音をマイクで集音して測定。FIRフィルターを自動生成する機能「AutoFIR」を使い、周波数特性だけでなく位相特性を含めたチューニングを行いました。豊田舞台照明有限会社の西山様は、「FIRフィルターのデータが打ち込まれ、全てのスピーカーが鳴った瞬間、はっきりと音が変わったと実感しました」と語ります。



小ホールは空間のサイズに合わせてポイントソーススピーカーを採用
客席数436席の小ホールは、学校や企業の講演会で利用されることが多いため、スピーチの拡声が聞き取りやすいことを重視して設計していきました。以前はラインアレイスピーカーを使って拡声していましたが、ホールのサイズにあまり適していないと考えポイントソーススピーカーを採用。Biamp駆動対応スピーカーWS-HM5000シリーズのスピーカーとサブウーハー各1台の構成で、プロセニアムスピーカーとサイドスピーカーを設置しました。また、同じ構成で2式の移動スピーカーを用意。講演会だけでなくダイナミックな音楽が鳴るイベントにも対応できるようにしました。
西山様は、「小ホールは客席数がそれほど多くないのでポイントソースが最適だと判断して導入しました。実際に音を鳴らしてみると、音圧をしっかり感じることができ、RAMSAのフラットな音が生きた空間となりました」と語ります。
また、豊田市民文化会館の永坂正和所長は、「導入後、市のカラオケ団体の利用があったのですが、参加者した方から『音が凄く良くなりましたね!』と言っていただきました。カラオケ大会は自分の出番が終わると座席に座って他の人の歌を鑑賞される方が多いのですが、皆さまにご満足いただけたようでした」と語ります。






大ホール
- RAMSA ラインアレイスピーカー WS-LA500A ×23台
- RAMSA ラインアレイスピーカー用サブウーハー WS-LA550A ×1台
- RAMSA 38cm2ウェイスピーカー WS-HP400 ×1台
- RAMSA 30cm2ウェイスピーカー WS-AR200-K ×4台
- RAMSA 12cmコーン形スピーカー WS-M10T-K ×5台
- RAMSA デジタルパワーアンプ(1200W×4ch) WP-DM948 ×22台
- RAMSA デジタルパワーアンプ(600W×4ch) WP-DM924 ×2台
- RAMSA デジタルパワーアンプ(300W×4ch) WP-DM912[販売完了]×1台
- RAMSA オーディオインターフェースユニット WR-SB350[販売完了]×3台
- RAMSA 電源制御ユニット WU-L67/L61 ×23台
- 16cm壁掛スピーカー WS-2035A ×11台
- 16cm天井埋込みスピーカー WS-TN630 ×58台
小ホール
- RAMSA 15インチ2ウェイスピーカー WS-HM5104 ×6台
- RAMSA 18インチサブウーハー WS-HM518L ×4台
- RAMSA 30cm2ウェイスピーカー WS-AR200-K ×4台
- RAMSA 12cmコーン形スピーカー WS-M10T-K ×5台
- RAMSA デジタルパワーアンプ(1200W×4ch) WP-DM948 ×5台
- RAMSA デジタルパワーアンプ(600W×4ch) WP-DM924 ×2台
- RAMSA デジタルパワーアンプ(300W×4ch) WP-DM912[販売完了]×1台
- RAMSA オーディオインターフェースユニット WR-SB350[販売完了]×3台
- RAMSA 電源制御ユニット WU-L67/L61 ×10台
- 16cm壁掛スピーカー WS-2035A ×13台
- 12cm壁掛スピーカー WS-2135A ×5台
- 16cm天井埋込みスピーカー WS-TN630 ×14台

我々の思いに寄り添って、真摯に対応していただきました
導入完了まで様々なお願いをしてきましたが、いつも我々の話を熱心に聞いてくださり、トライ&エラーを繰り返しながら良い音をつくり上げていただきました。豊田市民文化会館で鑑賞してくださる多くの方々のことを思いリニューアルを推進してきましたが、パナソニックさんも我々と同じ気持ちで、一緒になって構築してくださったことをとてもありがたく思っています。迫力のある良い音が聴けるホールになりましたので、ぜひ多くの皆さまに足を運んでもらい、笑顔になって帰っていただけたら嬉しいです。(豊田市民文化会館 所長 永坂 正和様)
公益財団法人 豊田市文化振興財団 豊田市民文化会館 所長 永坂 正和様<br>
豊田市役所 生涯活躍部 文化振興課 神谷 峻佑様<br>
豊田舞台照明有限会社 代表取締役 西山 敏昭様<br>
※所属は納入時のものです。

子どもたちに芸術の楽しさを伝える、市民のための文化施設
1981年の開館以来、文化芸術体験の場として多くの市民に親しまれてきた豊田市民文化会館様。今回の改修では館内のバリアフリー化や消防設備のリニューアルを実施し、さらに、市民の方々が誰でも気軽に芸術鑑賞や体験ができるオープンスペースを新設。ミニコンサートや子どもたちに向けた楽器の体験などのイベントも開催しています。



様々な音楽に対応し、聞こえづらかった席にもしっかり音が届くホールをつくりたい。
原音に忠実で色付けのないRAMSAスピーカーの音により、ジャンル問わず明瞭に聞こえる音空間を実現。さらに音響シミュレーションソフトPASDにより、どの席にも均一で迫力ある拡声が可能に。
ホールの隅々まで聞き取りやすくなり、利用した市民の方から「音が凄く良くなりましたね」と言っていただきました。

